电子血压计是使用现代电子手艺与血压间接丈量原理举行血压丈量的医疗装备。。。。。。。

电子血压计的事情原理
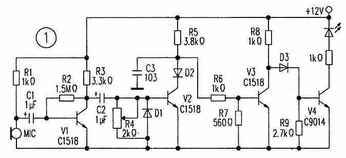
电子血压计的事情原理,,,,,是将血压的压力信号通过压电传感器(压电敏感元件)转酿成电信号,,,,,然后经放大器放大,,,,,再经整流、直放后,,,,,激励发光二极管发光。。。。。。。V1~V3为三级交流放大器,,,,,D3整流,,,,,V4为直流输出,,,,,其负载中串联发光二极管。。。。。。。当压敏元件输出脉冲时,,,,,发光二极管就闪亮。。。。。。。

电子血压计在最先丈量前先由气泵将袖套压力升到一定值(这个值可以由血压计自动设定某人工设定)然后逐步以每秒4 至5mmHg 速率放气,,,,,每次检测脉搏波的振幅(峰峰值)及袖套的静压送入CPU 举行处置惩罚,,,,,并凭证脉搏的频率盘算心率,,,,,当检测到缩短压、平均压和舒张压后,,,,,翻开气阀,,,,,使袖套所有放气,,,,,完成一次丈量历程,,,,,并把丈量效果生涯。。。。。。。整个丈量历程由MCU 控制并完成种种盘算。。。。。。。
电子血压计的功效先容
用于在手臂或手腕部位丈量患者血压。。。。。。。
大红鹰·(CHN)官方网站科技专业提供电子产品计划开发,,,,,为客户提供芯片选型、计划开发、生产加工、元器件配套等一站式效劳。。。。。。。更多关于电子血压计计划开发的问题,,,,,可点击在线咨询或者来电咨询,,,,,咨询热线0510-88278755。。。。。。。